SCHS Serisi
Ev >> Kataloglar >> Paslanmaz Çelik Rulmanlar >> Paslanmaz Çelik Küresel Düz Yataklar ve Çubuk Uçları >> SCHS Serisi
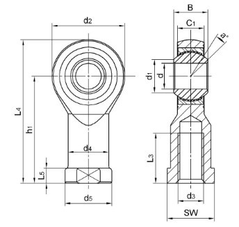
Paslanmaz çelik rulmanlar kapaklı (contalı veya korumalı) veya açık olarak mevcuttur. Kapaklı olarak da mevcut olan açık rulmanlar, halka yan yüzeylerinde girintilere sahip olabilir. Bu rulmanlar, yüksek krom çelikten yapılmış aynı boyutlu rulmanlara göre daha düşük yük taşıma kapasitesine sahiptir.
Paslanmaz çelik rulmanlar, gıda işleme ve paketleme, içecek, tıbbi ve denizcilik ekipmanları için benzersiz yetenekler sunar. Kilian mühendisleri, en zorlu uygulama gereksinimlerini karşılamak için gelişmiş rulman tasarım uzmanlığını geniş endüstri bilgisiyle birleştirir.
>>
<<
>>
<<

