33100 Serisi
Ev >> Kataloglar >> Konik Makaralı Rulman >> Metrik Boyutlar Konik Makaralı Rulmanlar >> 33100 Serisi
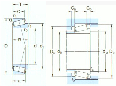
Konik makaralı rulmanlar, eşzamanlı radyal ve itme yüklerinin üstesinden gelmek için konik iç ve dış yuvarlanma yollarına ve makaralara sahiptir. Eksenel yük taşıma kapasiteleri, silindirlerin ve yuvarlanma yolu şaftının temas açısı ile doğrudan ilişkilidir.
Tek sıralı, çift sıralı ve dört sıralı tasarımları mevcuttur. Konik makaralı rulmanların münferit parçaları, genellikle kaplar ve koniler olarak ayrı satılır. Koniler, silindir düzeneğini ve iç halkayı içerirken, fincanlar dış halkayı içerir. Tam montaj birimleri hem kap hem de koni içerir. Ayrılabilir rulmanlar olarak, çeşitli uygulamalara uyum sağlamak için farklı tasarımlar ve boyutlar mevcuttur.
>>
<<
>>
<<

